SmokeCloak EASY 24 Manual
SmokeCloak EASY 600 and EASY 1100 Manual
SmokeCloak EASY 2200 Manual
EASY 600, 24V Dimensions diagram
EASY 1100 Dimensions diagram
test af tekst
EASY 2200 Dimensions diagram
EASY Demo Button Wiring
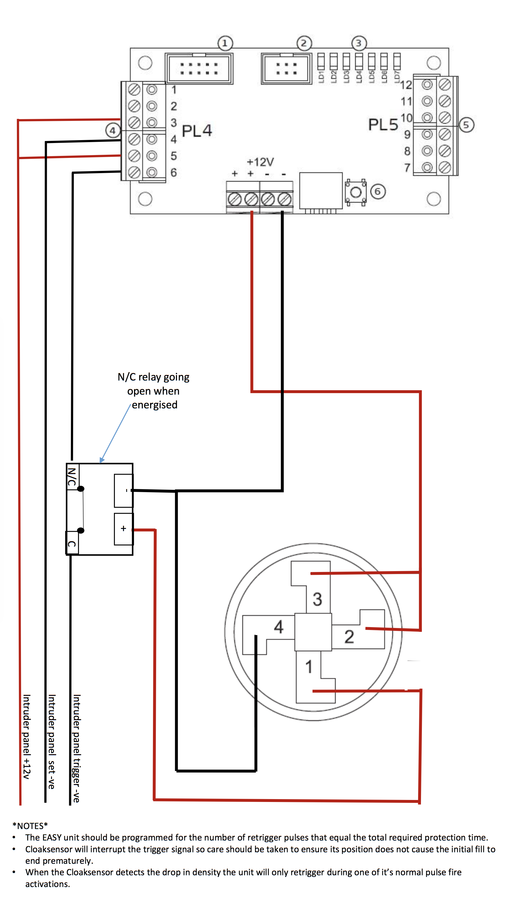
EASY using Cloaksensor Wiring Diagram

Fluid Calibration

Fluid Calibration

Fluid sensor calibration procedure