LED Strobe
IPA117 V3
Voice module
EASY 600 1100 isolation V5 wiring diagram
EASY 2200 isolation V5 wiring diagram 221019
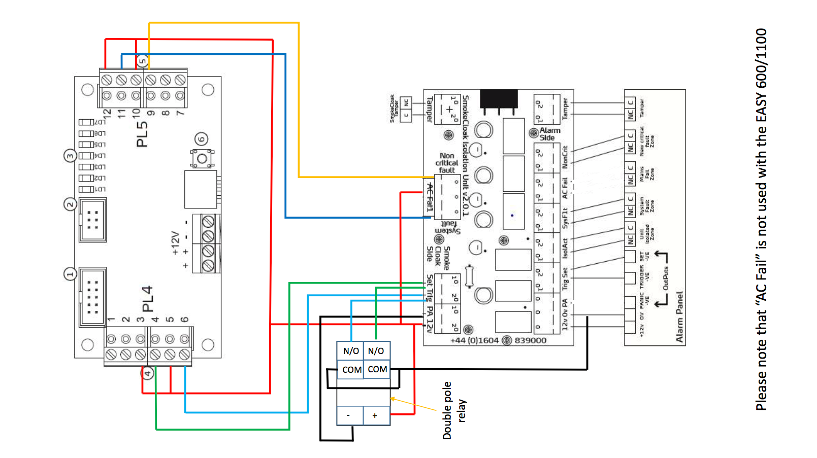
Isolation unit wiring diagram v4 with EASY inc PA trigger double pole relay
IPenabler wiring diagram with EASY
IPenabler wiring diagram with EASY 2200
Ip Enabler manual